


连续式IJP的工作原理概念
墨水通过压力从喷嘴不断喷出,经晶振器震荡后 发生断裂形成固定间隔点的墨滴,同时墨滴在充 电电极被充电。带电墨点经过高压电极偏转后飞出并落在运动的被喷印物表面形成点阵。


喷嘴自动密封机构
KGK 喷嘴压盖式技术,喷嘴自动密封技术防止了墨水粘附在喷嘴上,该技术的使用 有效降低了喷嘴堵塞和清洗的次数,溶剂消耗量大幅降低。
●无需把喷头内的墨水替换为溶剂
●重复运行/停止,墨水不会被溶剂稀释








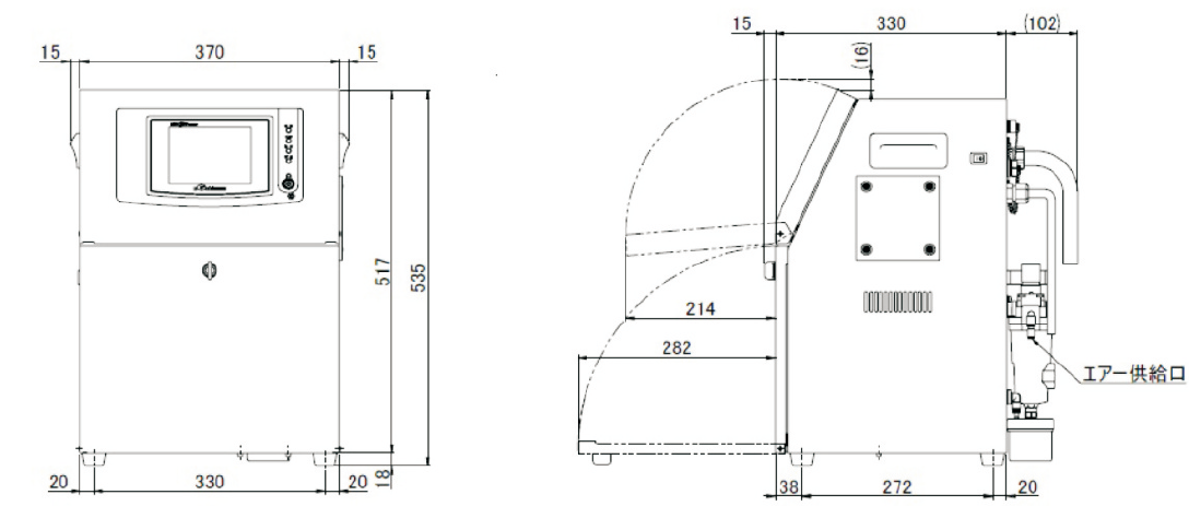
单位:mm
※ 系列机型中的CCS2800-P、CCS2800-P40、CCS2800-P60、CCS2800-UP、CCS2800-UP50主体机身高度为635mm。
另由于产品在不断更新,产品规格可能发生变更,无法及时更新,敬请谅解!
| 规格 | CCS2800 | CCS2800-40 | CCS2800-60 | CCS2800-P | CCS2800-P40 | CCS2800-P60 | CCS2800-UP | CCS2800-UP50 | CCS2800-HS |
| 墨水类型 | 染料墨水 | 染料墨水 | 染料墨水 | 颜料墨水 | 颜料墨水 | 颜料墨水 | 颜料墨水 | 颜料墨水 | 染料墨水 |
| 喷嘴直径 | 50μm | 40μm | 60μm | 50μm | 40μm | 60μm | 60μm | 50μm | 50μm |
| 操作界面 | 5.7时彩色液晶触摸屏 | ||||||||
| 文字高度 | 0.8~5mm(40μm)、1~10mm(50μm)、2~10mm(60μm) | ||||||||
| 最高印字速度[文字/秒] (5x5点阵、文字间距1) | 2,133~3,666文字/秒 ※5x5点阵字体、文字间隔1点阵时的最高喷印速度 | ||||||||
| 喷印行数与点阵数 | 【1-5行】:5×5,5×N;【1-3行】:7×8,7×5,7×N;【1-2行】:12×10,10×8,9×9,9×7; 【1行】:24×24,24×18,16×16,16×12 | ||||||||
| 信息登录文字数 | 最多4096个文字 | ||||||||
| 登录信息数 | 最多999个信息 | ||||||||
| 字符种类 | 字母(大/小写)、数字、符号、平假名、片假名、日本汉字(IS第一第二)、简体中文字(GB2312)、用户定制字体 | ||||||||
| 时期时间(有效期) 喷印功能 | 西历、年号、年月日、星期、时间(12/24时制)、全年所过日数、全年所过周数月的上中下旬(设定可变期间)、 AM/PM、文字替换功能(年·月·日·时·分秒·星期,最大可替换4~15行其他文字)、移位码 | ||||||||
| 号码链功能 | 最多10位数、认清初始值设定、UP/DOWN、位数上升(1计数器最多可设定1~9999的工件数)、消零功能(上一位的 0置换为空格或前移)、号码链文字替换功能(可替换为数字以外的文字)、进制设定(2~36进制)、可替换(在数字和 数字之间插入任意文字) | ||||||||
| 隔断印字功能 | 最大10位、可分割(数字与数字之间可插入任意文字) | ||||||||
| 条形码 | ITF·Code39·NW7·JAN·Code128·UPC·Code93 | ||||||||
| 二维码 | DataMatrix、QRcode | ||||||||
| 外部接口 | 信号灯、RS-232C、同步器、UPS、USB存储器 | ||||||||
| 喷头电缆长度 | 3.5 m | ||||||||
| 数据输入方式 | 触摸屏、RS-232C | ||||||||
| 外形尺寸(L×W×H) | 染料机370mmx330mmx535mm 颜料机370mmx330mmx635mm | ||||||||
| 使用环境 | 0~40℃,10~85%RH(不结露) | ||||||||
| 电源 | 100-240,50/60Hz,0.8A | ||||||||
| 重量 | 22KG | ||||||||
| 接地 | D种接地 | ||||||||